Categorie
Articolo no. 296.900.374
Numéro-E 808 454 010
Specifiche tecniche
Categoria di test T1 / T2 / T3  
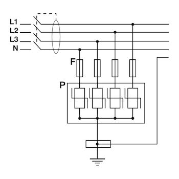
Numero di poli 4  
Corrente di fulmine [Iimp]_(10/350) 25 kA  
Dispersione corrente (Imax) 70 kA  
Tempo di risposta [ta] ≤20 ns  
Livello di protezione [Up] 1.5 kV  
Corrente impulsiva di dispersione nominale (8/20) 30 kA  
Sezione nominale del conduttore (min/max) 6.0 - 50.0 mm²
Contatto di segnalazione Sì  
Frequenza nominale [fn] 0.0 - 100.0 Hz
Tensione nominale AC 230 V  
Tensione continua AC max. 255 V  
Dispersione max. (8/20) µs [Imax] 70 kA  
Shock combinato [Uoc] 20 kV  
Operativo perdita guasto [Ic] 0 kA  
Corrente sequenziale [IF] 0 kA  
Capacité d'extinction actuelle [Ifi] Unendlich kA eff  
TOV-tensione L-N [UT] 450 V / 5 sec.  
TOV-tensione N-PE [UT] 1200 V / 200 ms / 300 A  
TOV-tensione L-PE [UT] 1454 V / 200 ms / 300 A  
Resistenza cortocircuito (Icw) 25 kA  
Segnalazione di guasto mechanisch, Rot  
Temperatura esteso -40.0 - 85.0 °C
Grado di protezione IP20  
fusibile max. (gG) 315 A  
Montaggio su Hutschiene 35 mm  
Materiale della scatola  
Segnalazione sul dispositivo ottico  
Sezione di collegamento contatto di segnalazione. 1.5 mm²  
Capacità di commutazione 250 V/0,5 A (AC) / 125 V/0,25 A (DC)  
Forma della rete TN-S  
Effetto protettivo coordinato energeticamente al terminale Sì  
Dimensione 8 HP  
Soffiante No  
Sì  
Livello di protezione L-N [Up] 1.5 kV  
Tipo di montaggio barra cieca 35 mm  
Grado di protezione (IP) IP20  
Livello di protezione mas. (a 5kA) 0.65 kV  
Livello di protezione mas. (a 12.5kA) 0.8 kV  
Livello di protezione mas. (a Imax) 1.5 kV  
Norme e Direttive
Norme di prova Germania  
Norme di prova internazionale IEC 61643-11  
Norme di prova USA UL 1449 d.3  
Norme di prova Europa EN 61643-11  
Omologazione UL  
Specifiche commerciali
Numero di tariffa doganale 85363000  
paese di origine NUL  
Specificazione logistica
VPE Peso 1.18 kg